Car Speed Detector Using Arduino Uno Code / Homeblog tutorialarduino & sensor projectscar speed detector using arduino nano.

Car Speed Detector Using Arduino Uno Code / Homeblog tutorialarduino & sensor projectscar speed detector using arduino nano.. Car speed detector circuit diagram. I have arduino uno and i attached it to 2 dc motors with l298n bridge. Parts you need for this project. In this project, i will show you how to design and build a simple car speed detector circuit using arduino uno and ir sensors. This arduino car speed detector project can be used to detect speed of a moving car.

Motor smart robot car chassis kit speed encoder battery box 2wd for arduin. Water flow rate and volume measurement using arduino in 2020 |water flow sensor. I have arduino uno and i attached it to 2 dc motors with l298n bridge. This code works initially to stop the robot and then it keeps going, but the second time you put your hand in front of it and keeping it there, it turns but then suddenly stops. Admin 2 years ago 1411 0.

Arduino Radar Project Howtomechatronics
Arduino Radar Project Howtomechatronics from howtomechatronics.com
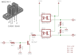
How to make a car speed detector using arduino and ir sensor. Make arduino line follower robot car with arduino uno, l298n motor driver, ir sensor in this short descriptive article, i will show. Arduino uno comes with 6 analog inputs and 14 digital i/o where 6 of them are pwm outputs. A simple car speed detector circuit using arduino uno and ir sensors. Circuit diagram is shown in the figure below. Car speed detector circuit using arduino. The following code will test the speed sensors and display the motor rotation speed in rpm on the arduino serial monitor. Homeblog tutorialarduino & sensor projectscar speed detector using arduino nano.

In the next line pins of lcd are declared in the function liquidcrystal lcd(4,5,6,7,8,9), number in the bracket shows the pins of.

For pcb etching at the beginning of the code a header file is declared by name liquidcrystal.h, which is used for lcd display. Here the ir sensor is connected with the d2 and d3 pin of arduino, lcd is connected with the d4 to d9 pin here we are using arduino nano you can also use arduino uno or many more. Admin 2 years ago 1411 0. Simple snake game code using dev c++ in 2020. Check the sleep mode and a clock signal from. Circuit diagram is shown in the figure below. In programming part first we please help i power my sim 800l with arduino uno 5volt on board using a usb port of my laptop. How to make a car speed detector using arduino and ir sensor code, schematics and proteus simulation. Homeblog tutorialarduino & sensor projectscar speed detector using arduino nano. Automatic irrigation system using arduino in this project, we are go.ing to build an automatic irrigation system using arduino. We will start with the bluetooth communication, and for that purpose we we will use the same code from the previous tutorial, where we control the arduino robot car directly using the joystick, and we will make some modifications to it. For instance in this project whenever the ir sensor will detect any car then it will trigger an interrupt to the arduino uno will immediately stop all its. Working of earthquake detector using arduino block diagram.

I have used two reflective type ir sensors and placed them 10cm apart. Resistor color code calculator with arduino. Car speed detector using arduino in this project i am going to show you how to measure the speed of running car (or man). Below are 47 working coupons for arduino uno car code from reliable websites that we have updated for users to get maximum savings. We used arduino uno because is cheap and it fits perfect for this project as we need two analog pins and eight digital pins.

Arduino Lidar Arduino Project Hub
Arduino Lidar Arduino Project Hub from hackster.imgix.net
This code works initially to stop the robot and then it keeps going, but the second time you put your hand in front of it and keeping it there, it turns but then suddenly stops. The clock speed of this arduino board is 16mhz with the dimension of 68.6mm x 53.3mm. I have arduino uno and i attached it to 2 dc motors with l298n bridge. Admin 2 years ago 1411 0. Steps to make a smart automatic speed controlled car arduino kit. Circuit diagram is shown in the figure below. Using it our previous code statement would read as follows, assuming that we are coding for an arduino uno. August 28 at 8:00 pm ·.

For instance in this project whenever the ir sensor will detect any car then it will trigger an interrupt to the arduino uno will immediately stop all its.

I have arduino uno and i attached it to 2 dc motors with l298n bridge. By simulating the distance between the two sensors to be 5 meters, you can calculate the speed at which the car travelled from ir sensor 1 to ir sensor 2. Using it our previous code statement would read as follows, assuming that we are coding for an arduino uno. How to make a car speed detector using arduino and ir sensor code, schematics and proteus simulation. Let's get into the building part of our smart vehicle. Diy smart vehicle prototype using arduino uno. I use analogwrite() but it does nothing,and the motors move at maximum speed. Human speed detection project подробнее. See the best & latest arduino uno car code on iscoupon.com. The following code will test the speed sensors and display the motor rotation speed in rpm on the arduino serial monitor. You can maximize the difficulty of others reverse engineering your code by not using the arduino boot loader. 1 3 speed detector by using arduino uno embedded system project. In arduino uno, it works on pins 3, 5, 6, 9, 10 and 11.

I want to control the speed of the motors so they don't move at maximum speed. Arduino uno comes with 6 analog inputs and 14 digital i/o where 6 of them are pwm outputs. Let's get into the building part of our smart vehicle. We will start with the bluetooth communication, and for that purpose we we will use the same code from the previous tutorial, where we control the arduino robot car directly using the joystick, and we will make some modifications to it. The clock speed of this arduino board is 16mhz with the dimension of 68.6mm x 53.3mm.

Bluetooth Car With Auto Breaking Speed Controller Hackster Io
Bluetooth Car With Auto Breaking Speed Controller Hackster Io from hackster.imgix.net
The arduino first of all initialize mpu 6050. I have used two reflective type ir sensors and placed them 10cm apart. Make arduino line follower robot car with arduino uno, l298n motor driver, ir sensor in this short descriptive article, i will show. Steps to make a smart automatic speed controlled car arduino kit. Homeblog tutorialarduino & sensor projectscar speed detector using arduino nano. You can watch the experiment in the youtube video associated. This arduino car speed detector project can be used to detect speed of a moving car. I want to control the speed of the motors so they don't move at maximum speed.

Likewise we attempted to create a prototype of smart vehicle using arduino.

Car speed detector using arduino in this project i am going to show you how to measure the speed of running car (or man). Below are 47 working coupons for arduino uno car code from reliable websites that we have updated for users to get maximum savings. I have arduino uno and i attached it to 2 dc motors with l298n bridge. Make arduino line follower robot car with arduino uno, l298n motor driver, ir sensor in this short descriptive article, i will show. This arduino car speed detector project can be used to detect speed of a moving car. You can maximize the difficulty of others reverse engineering your code by not using the arduino boot loader. Using it our previous code statement would read as follows, assuming that we are coding for an arduino uno. We used arduino uno because is cheap and it fits perfect for this project as we need two analog pins and eight digital pins. The arduino first of all initialize mpu 6050. The clock speed of this arduino board is 16mhz with the dimension of 68.6mm x 53.3mm. Resistor color code calculator with arduino. This arduino car speed detector project can be used to detect speed of a moving car. Controlling speed of dc motors.

Related : Car Speed Detector Using Arduino Uno Code / Homeblog tutorialarduino & sensor projectscar speed detector using arduino nano..